球閥殼體的加工與刀具設計
在實際生產中,球閥殼體零件的內球面由于位置特殊,加工難度較大,尤其對于加工精度要求較高的零件,為了保證加工質量,就必須制定合理的加工工藝,并設計專用夾具和刀具。本文以球閥殼體的加工為例,介紹一種簡單、實用的內球表面車削加工方法及其刀具設計。
1 殼體內表面加工方案
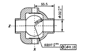
殼體零件的內表面加工可以采取車削、銑削、磨削等多種方法。為了加工圖 1 所示的球閥殼體,此前曾采用成形銑刀分別對球體的兩個內表面進行銑削加工,但加工精度未能達到要求。因此,該零件的加工被列為校內科研課題進行攻關。
)
圖 1 球閥殼體剖面圖
通過分析,加工該零件內表面最理想的方法是采用車削加工。由于用普通車床手動車削很難保證球面的尺寸精度和表面質量,造成與其它零件配合時,難以實現良好的面接觸,因此必須采用數控車削,以保證加工精度。
由于該閥體的內表面近似于一個封閉球體,加工時刀具進出很不方便。如采用普通鑊刀加工,由于刀桿懸伸長度超過了75mm,因此很難保證其剛性。因此,合理設計刀具是實現加工的關鍵步驟。
2 刀具的設計
為了便于刀具進出工件內腔,刀頭的尺寸不宜過大。為此,設計了一個活動刀頭。這種刀頭不僅要解決刀具進出工件的問題,而且在頻繁的裝拆過程中,必須確保刀具的位置精度。車刀的裝配見圖 2。刀桿材料選用45鋼(熱處理至HRC40-45)。車刀采用中心鉆改制而成。刀頭的槽孔和刀桿的槽均采用數控線切割加工而成,采用過渡配合,并用螺釘在一端固定,以保證刀具在 X 方向竄動最小。刀頭的分解見圖 3。車刀在刀頭內可沿X方向調整,并用螺釘固定。

圖 2 車刀裝配圖

圖 3 刀頭分解圖
3 刀尖圓弧半徑的誤差補償
在實際加工中,所用刀尖都有一個半徑不大的圓弧。而在數控車削編程中,為了方便起見,通常將刀尖看作一個點(圖 4 中的A點)。在對刀時,一般是以車刀的假想刀尖作為刀位點,因此,在車削加工時,由于假想刀尖與實際刀具切削點的運動軌跡不一致,如果不采取補償措施,就可能產生加工誤差。雖然在切削端面、內徑和外徑時不會產生誤差,但在切削錐面和圓弧時會產生少切或過切。

圖 4 假想刀尖與刀尖圓角(A.假想刀尖B.實際刀具切削點)
為了消除車刀刀尖圓角引起的加工誤差,首先要知道刀尖圓角半徑的大小。用刀具測量儀對刀尖進行測量的結果為 R0.21mm。
加工所用車床的數控系統為 Fanuc OI-Mate,具有刀尖圓弧半徑補償功能,因此可用刀具半徑補償指令(G41,C42)進行刀尖圓角半徑補償。按照刀具路徑前進方向,刀具位于工件右側,因此應采用G42刀補指令。刀具補償與假想刀尖相對于刀尖圓角中心的方位有關(共有8種方位),圖 4的方位代碼為3。確定相關參數后,先用試切法確定車刀在X軸和Z軸的位置,并輸人補償值,然后輸人刀尖圓弧半徑R和假想刀尖方位代碼T(見《表 1》)。
| 刀補號 | X | Z | R | T |
|---|---|---|---|---|
| 01 | 120 | 90 | 0.21 | 3 |
數控加工程序如下:
粗加工程序……
N50 G00 X0 Z37
N60 G42 G01 Z35
N70 G03 X0 Z0 R37 F0.05
N80 G40 G00 Z37
……
只要按照定好的位置將刀具置位,即可進行加工。切削完畢后,通過直徑φ28的孔拆下刀頭,沿Z軸移走刀桿(X方向不動),然后拆下工件,裝上新零件后,再將刀桿置位,裝上刀頭,即可繼續加工。
檢測結果表明,用該方法加工出的球閥殼體零件的尺寸精度和表面質量完全合格。
為球閥殼體的大批量加工而設計的活動刀頭既保證了加工精度(同心度),又便于裝拆(裝拆時間僅需20多秒),而通過對刀尖圓弧半徑的誤差補償,有效保證了圓弧面半徑尺寸的加土精度。這種加工方法適合大多數有拆卸孔的球閥殼體內表面加工。