襯氟管道阻火器性能檢測
2022-02-21 09:45:05
138

1、〔閥門殼體零件襯里面清整〕→2、〔將工件置于模具中〕→3、〔放入一定量氟塑料原料(粉狀或片狀)〕
→4、〔閉合模具和零件隨爐加溫塑化〕→5、〔用壓力機加壓,邊加壓邊用清水冷卻淬火〕
→6、〔氟塑料固化后開?!场?、〔清理修整襯里閥門零件〕→8、〔檢驗測試入庫〕
工作溫度從-50℃的超低溫到180℃的高溫,襯氟閥門可用于控制水、蒸汽、油品、氣體、泥漿、各種腐蝕性介質、 液態金屬和放射性流體等各種類型流體地流動,由于襯氟閥門的用途是廣泛的,因此它起的作用也是很大的。在襯里前的處理很重要,襯氟塑料之前,應將受襯面毛刺、油污清除干凈、修磨平整,盡可能使受襯面達到GB 8923 中規定的St2 級,還可以采用機械加工的方法,將受襯面加工出T形槽和螺紋溝槽增加襯里層與基本的結合強度,防止襯里層脫殼。將襯里面內部轉角處的棱角銳邊倒鈍,減少應力防止襯里層被銳角刺破。,

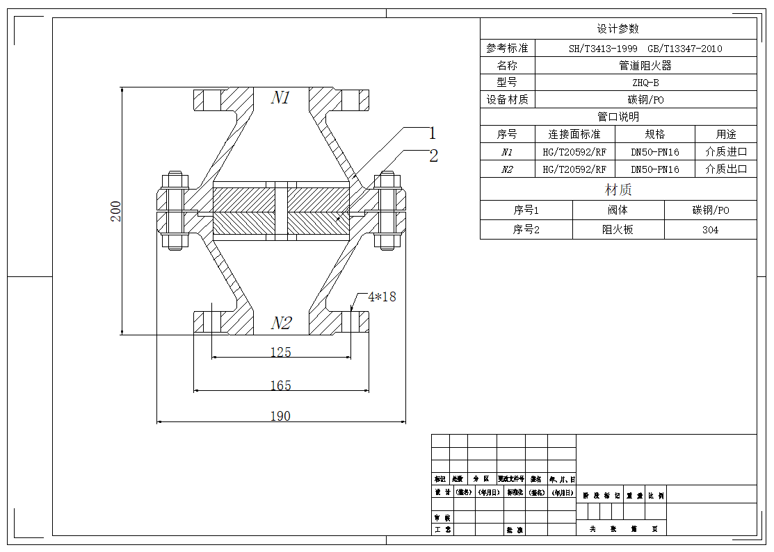
三、襯氟管道阻火器性能檢測
1、阻火器殼體強度應能承受1.5 倍于設計壓力的水壓試驗,無滲漏。
2、阻火器組裝后應能承受設計壓力的嚴密性液壓試驗,無滲漏。
3、阻爆燃型阻火器必須連續經受13 次阻爆燃試驗,每次必須阻止亞音速火焰通過。
4、阻爆轟型阻火器必須連續經受13 次阻爆燃試驗,每次必須阻止超音速火焰通過。
5、管道阻火器的阻火性能和試驗方法可參照《GB13347-1992》和《SH/T 3413-1999》執行。
四、襯氟管道阻火器維修保養
1、為了確保阻火器的性能達到安全使用目的,對阻火器應定期性檢查,保養。
2、阻火器每半年檢查一次,檢查艾迪阻火層芯件是否堵塞,變形,腐蝕等。
3、發現被堵塞的阻火層芯件應清洗干凈,確保芯件上的每個孔眼通暢,對于變形和腐蝕的阻火層應更換。
4、重新安裝阻火層芯件時,應**結合面嚴密不得漏氣。,

襯氟管道阻火器性能檢測使用注意事項:
1、閥門或管件法蘭蓋板不能隨意拆開,除非已準備與管路連接,否則PTFE法蘭面可能因溫差、異物造成磕碰劃傷或扭曲變形而影響密封。
2、耐腐蝕閥門與管路連接時,一般不再單獨使用墊片,但與異種材料(金屬面等)法蘭面連接時英采用適當的墊片,以保護襯氟面。
3、不允許在閥門及管件上做任何高溫焊接工作,以免造成襯里層的損害。
4、有方向性要求的閥門在安裝時要注意介質的流向應順閥體上箭頭所示方向,并確保操作、維修方便。
5、產品在系統使用中,如在較高溫下發生泄漏,應首先將系統溫度降至室溫后,再查明原因,進行維修。,

具有耐腐蝕、化學穩定性好、耐高低溫等優點,廣泛應用于石油和化工等特殊工況下,閥門襯氟技術是推動襯氟閥門產業發展的關鍵.閥門襯氟技術的核心和關鍵是選用高性能氟塑料和采用合適的襯里工藝.綜述了襯氟材料主要種類的特性,介紹了各種氟塑料改性方法,概括了當前各種襯氟工藝的特點,探討了目前襯氟技術存在的問題,指明了開發新型耐腐蝕材料、探索多種填充相協同作用對氟塑料改性和改進氟塑料襯里工藝是今后的研究方向.與本文相關的論文:自力式煤氣調壓閥組